Home Depot Credit Cards
Select store
...
Cart
Shop All
Services
DIY
Log In
In Stock at Store TodayIn Stock at Store Today
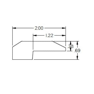
Wood Floor Trim
Please choose a rating
Search Brand:
All Brand:
ROPPEROPPE
PENNWOODPENNWOOD
$20 - $30$20 - $30
$30 - $40$30 - $40
$40 - $50$40 - $50
$50 - $100$50 - $100
Stair NoseStair Nose
ReducerReducer
Quarter RoundQuarter Round
T-MoldingT-Molding
ThresholdThreshold
Red OakRed Oak
BambooBamboo
Solid WoodSolid Wood
All Filters
Molding/Trim Type
Wood Species
Brand
Material
Price
Review Rating
In Stock at Store Today
Sort by
Hardwood Flooring Installation